05 Equinox Drive Shaft Removal. When doing it the ball bearings my fall out of the cup in the front assembly. The center u-joint was bad and due to the way GM manufactured this particular shaft the u-joint is not serviceable. Full size and Mini. The dealership the extended warranty company and gm will not authorize a loaner car.
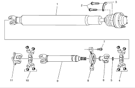
CHEVROLET 2005 EQUINOX 34L V6 Drivetrain Drive Shaft. Httpsamznto370cSgeU-JOINT SNAP RING PLIERS. New Rear Driveshaft Assembly. Clamping propeller shaft tubing in a vise could dent or deform the tube causing an imbalance or unsafe condition. Buy Complete Rear Driveshaft for 2005-2006 Equinox and 2006 Torrent. Posted on Jan 05 2010.
Sep 05 2010 2005 Chevrolet Equinox.
Pull the driveshaft assembly out from the bottom of the Equinox. OK I am working on my aunts car an 05 equinox. The Chevrolet dealership which is to perform the repair stated that this bearing is on national back order and could take between 3 weeks to 3 months for a replacement bearing. In this video Im changing the carrier bearing on a driveshaft I took out of my 2006 Chevy equinox I highly recommend you just take the driveshaft out and ta. Start the engine put it in drive. Driveshaft 103 - Replacing carrier bearings.